El
74HC00
74HC00
RENESAS
74HC00 ST SOP
In Stock: 6124 pcs
, un membre destacat de la família CMOS Logic IC, integra quatre portes NAND en un paquet, aprofitant la tecnologia de la porta de silici per combinar les velocitats operatives LS-TTL amb un consum notablement més baix.Aquesta barreja de velocitat i eficiència, augmentada per la seva capacitat per impulsar fins a deu càrregues LS-TTL i subjecció de díodes interns per a la protecció de descàrrega electrostàtica, posiciona el 74HC00 com a component versàtil i fiable en el disseny del circuit digital.Podeu apreciar les seves sortides amortitzades per millorar la immunitat del soroll i la seva compatibilitat amb diversos equivalents estàndard de la indústria, cosa que la converteix en una pedra angular en la creació de sistemes digitals innovadors i robustos.
Catàleg
El
74HC00
74HC00
RENESAS
74HC00 ST SOP
In Stock: 6124 pcs
, Incorporant quatre portes NAND, es destaca per la seva alineació amb la família LS-TTL.
Amb la tecnologia CMOS de la porta de silici, aconsegueix velocitats operatives similars a LS-TTL mantenint un focus en el consum baix d'energia.Aquest equilibri permet aprofitar la velocitat i l’eficiència, cultivant dissenys que ressonen amb l’enginy.Les sortides de porta buffered milloren la immunitat del soroll, un factor que contribueix al rendiment estable fins i tot en entorns de senyal difícils.
La seva capacitat per impulsar fins a deu càrregues LS-TTL la fa adequada per a sistemes on es desitgin nombroses sortides de senyal.
Equipat amb subjecció de díodes interns, minimitza els riscos associats a la descàrrega electrostàtica.Aquesta característica destaca el seu paper en l'ampliació de la longevitat dels components, reflectint subtilment la saviesa en la cerca de fiabilitat a llarg termini.
Substitucions i equivalents:
•
CD4011
CD4011
I-CORE
701
In Stock: 25220 pcs
• MC54HC00AJD
• M74HC00M1
• SN54LS00
• SN74HCT00DTE4
•
74HCT132D
74HCT132D
NXP
74HCT132D PHILIPS SOP14
In Stock: 16924 pcs
•
74HCT00
74HCT00
TI
74HCT00 ST SOP14
In Stock: 2870 pcs

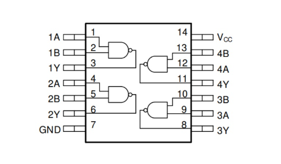
• Pins 1, 2, 4, 5, 9, 10, 12, 13: Entrades de dades
Aquests pins estan elaborats per rebre senyals d’entrada que guien les operacions lògiques de les portes NAND dins del xip.Garantir que aquestes entrades estiguin lliures d’interferències fomenta el comportament del circuit fiable, reflectint el control i la previsibilitat.
• Pins 3, 6, 8, 11: sortides de dades
Actuant com a sortides, aquests pins transmeten els resultats dels càlculs NAND GATE.Es poden utilitzar en diverses construccions de lògica digital, teixint patrons lògics complexos.Quan es connecten diversos circuits a una única sortida, els efectes de càrrega potencials indiquen el delicat equilibri requerit en relacions complexes.
• Pin 7: terra (GND)
Aquest pin es connecta al terra del sistema per proporcionar un punt de referència constant per a les tensions.L’establiment d’una connexió tan estable s’alinea amb la recerca natural de la posada a terra i la claredat, minimitzant les pertorbacions.
• Pin 14: font d’alimentació positiva (VCC)
Alimentar la tensió correcta a través d’aquest PIN admet el rendiment del dispositiu.Mentre que el manteniment dins del rang especificat millora la longevitat i l'eficiència, situar els condensadors de desacoblament a prop dels pins de potència pot estabilitzar substancialment el funcionament, reflectint estratègies per gestionar les complexitats de la vida.
El
74HC00
74HC00
RENESAS
74HC00 ST SOP
In Stock: 6124 pcs
està dissenyat amb quatre portes NAND independents que se centren en l'eficiència de potència, atraient -vos amb el seu rendiment fiable en circuits digitals.La seva impressionant immunitat de soroll contribueix a aplicacions estables, que molts consideren atractius per als projectes que prioritzen la coherència.Disponible en formats DIP i SOIC, compleix diversos requisits de disseny i ofereix opcions de disseny de PCB flexibles.
L’adaptabilitat del 74HC00 li permet encaixar en una àmplia gamma de configuracions de porta lògica i sistemes complexos.Podeu valorar la seva robusta capacitat de conducció d’entrada/sortida, trobant -la útil per elaborar funcions digitals complexes.
La seva capacitat d’operar en diferents condicions fa que el 74HC00 sigui popular en l’educació i el desenvolupament de prototips.La facilitat amb què s’adapta a l’augment de la complexitat del circuit us inspira a explorar noves innovacions sense renunciar al rendiment.
Visió general del fabricant
Texas Instruments ha guanyat una reputació per la seva dedicació a crear productes de semiconductors fiables i innovadors.Amb el seu enfocament inigualable en la durabilitat i el rendiment superior, els components de Texas Instruments es troben al centre de nombroses aplicacions, mostrant el seu paper efectiu en la indústria de l'electrònica.
Dimensions físiques
Mesura de 8,65 mm x 3,91 mm x 1,58 mm, el
74HC00
74HC00
RENESAS
74HC00 ST SOP
In Stock: 6124 pcs
compta amb un disseny elegant adaptat per a entorns compactes.Aquestes dimensions simplifiquen la integració en els dissenys variats de la placa de circuit, cosa que permet aprofitar el màxim espai limitat sense comprometre les notables capacitats del dispositiu.
Característiques elèctriques
La tensió d’alimentació abasta de 2V a 6V, que ofereix una adaptabilitat en la selecció de fonts de potència i la garantia de la compatibilitat amb un ampli espectre de circuits digitals.Aquest rang de tensió admet aplicacions versàtils, permetent al 74HC00 ajustar -se adeptament a les demandes canviants en entorns dinàmics.
Temperatura i condicions ambientals
Funcionant eficaçment entre -40 ° C i 85 ° C, el dispositiu està dissenyat per prosperar en diversos climes i condicions industrials.La seva resistència contra els extrems de temperatura fa que sigui una elecció preferida per a les aplicacions d’electrònica i les aplicacions industrials del consum, on la variabilitat ambiental és donada.
Mètriques de rendiment
Oferint un retard de propagació de 23 nanosegons, el 74HC00 destaca en l'eficiència de processament necessari per a les funcions lògiques d'alta velocitat.Aquest rendiment ràpid és avantatjós per a aplicacions com ara el control de senyal digital i els sistemes de comunicació, on és una necessitat un intercanvi ràpid de dades.
Composició estructural
El dispositiu inclou 4 portes, per a operacions lògiques NAND, proporcionant una funcionalitat substancial per a dissenys de lògica complexes.Aquesta configuració resulta avantatjosa quan calen operacions lògiques de manera eficient, garantint un processament ràpid i fiable dins dels sistemes.
Classificació
Funcionant com a porta lògica, el 74HC00 serveix de component primari en la creació de circuits digitals.Podeu utilitzar aquests elements per construir sistemes digitals complexos, millorant així la potència computacional i avançant les capacitats de processament de maneres innovadores.
El
74HC00
74HC00
RENESAS
74HC00 ST SOP
In Stock: 6124 pcs
integra quatre portes NAND separades, cadascuna amb dues entrades que condueixen a una única sortida.L’operació depèn d’una taula de veritat detallada.Concretament, la sortida baixa a la baixa només si les dues entrades són altes.En cas contrari, la sortida es manté alta: un element principal en el disseny de la lògica digital, que actua com a component bàsic per elaborar circuits més complexos.
La retroalimentació positiva influeix subtilment en l'estabilitat a aquestes portes.A mesura que cada porta processa les seves entrades, la retroalimentació serveix per reforçar un estat de sortida estable, fomentant un rendiment constant.Aquest equilibri s’arriba a l’harmonització de les reaccions de la porta amb els valors d’entrada.Podeu aprofitar aquest aspecte per forjar circuits que exigeixen estats lògics fiables, descobrint una capa de previsibilitat assegurada.
Agafar les subtileses de dinàmiques d’entrada-sortida a les portes NAND millora el potencial de dissenys de circuits racionalitzats.Les aplicacions habituals inclouen la construcció de xancletes i executar tasques lògiques com ara i, o i no operacions.Aquesta versatilitat destaca la seva adopció a través d’un espectre de contextos, des de mecanismes de control senzill fins a marcs computacionals sofisticats.
Reflexionant sobre la utilitat més àmplia del 74HC00, el seu rendiment fiable troba rellevància en els camps que abasten l'electrònica de consum per a l'automatització industrial.El poder d’organitzar aquestes portes en diversos marcs lògics atorga una llibertat creativa substancial, fomentant la innovació.Els principis principals de Nand Gates inspiren solucions a mida per a obstacles tecnològics únics.
El
74HC00
74HC00
RENESAS
74HC00 ST SOP
In Stock: 6124 pcs
és una quadruple porta NAND de dues entrades dissenyada amb una precisió exquisida.Encarna una barreja harmònica de pràctica i sofisticació tecnològica.
Funcions
• Funciona en un rang de tensió ampli
• Mostra un retard ràpid de propagació
• Apte per a operacions d’alta velocitat i de baixa potència
Característiques elèctriques
• Tensió i corrent: aquest component funciona amb una amplitud de nivells de tensió, acollint una diversitat de necessitats de disseny.
• Interval de temperatura: realitza de forma fiable entre diversos paràmetres de temperatura, permetent l’adaptabilitat a diferents condicions ambientals.
Aplicacions
• Usos generals: un component versàtil, troba un lloc en nombrosos circuits digitals, complint les necessitats que van des de tasques quotidianes fins a aplicacions complexes amb gràcia.
• Implementacions específiques: des de l’electrònica de consum fins als mecanismes industrials, el 74HC00 s’integra perfectament, manifestant la seva utilitat en cada aplicació.
El xip de
74HC00
74HC00
RENESAS
74HC00 ST SOP
In Stock: 6124 pcs
presenta una adaptabilitat notable, que apareix freqüentment en diversos contextos electrònics gràcies al seu ampli espectre de funcionalitats.
Emplama i conducció
El 74HC00 funciona amb adeptes com a buffer o controlador, fomentant la connectivitat perfecta entre els circuits.Minimitzant les gotes de tensió i la degradació del senyal de reducció, estableix una comunicació constant entre components.En electrònica pràctica, utilitzar el 74HC00 com a buffer pot reforçar la capacitat d’un microcontrolador d’activar diversos LED o mòduls de relé, una característica freqüent en els projectes de bricolatge.
Operacions lògiques
Aquest xip permet les operacions lògiques, com ara les portes NAND, formant el nucli dels sistemes complexos.La seva integració sense esforç en diversos circuits lògics destaca la seva usabilitat.En el disseny digital, aprofitar NAND Gates us permet construir circuits lògics sofisticats amb menys components, millorant tant l’accessibilitat com la compactació.
Integració de sistemes incrustats
Dins dels sistemes incrustats, el 74HC00 racionalitza l'execució de tasques incrustant funcions lògiques dins de les iniciatives de microcontrolador.
Nombrosos dispositius IoT utilitzen aquest xip per executar xecs condicionals i gestionar dispositius perifèrics, impulsant la resposta i la fiabilitat del sistema.
Conversió a nivell
El 74HC00 serveix un paper eficaç en la conversió de nivell, ajustant els nivells de senyal entre diferents circuits.Això facilita la interfície fluida de components amb valoracions de tensió variades.En situacions de tensió mixta, com ara enllaçar un microcontrolador de 5V a un sensor de 3,3V, el 74HC00 es posa a la perfecció la divisió, garantint un compartiment de dades precís.
Circuits de sincronització i control
El xip també inclou els circuits de sincronització i control, ajudant a la minuciosa coordinació de tasques de lògica seqüencial, millorant aplicacions com els circuits de línia de retard i la generació de pols.Refinar els circuits de sincronització amb el 74HC00 millora la precisió en tasques com els sistemes de comunicació síncron, salvaguardant la fidelitat de les dades mitjançant una gestió minuciosa del temps.
Comparador digital per a la comparació binària
El 74HC00 funciona com a comparador digital per a comparacions binàries, ideal per a la presa de decisions dins dels marcs digitals.Disposa la igualtat o la variació entre figures binàries.Utilitzar el 74HC00 per a la comparació binària proporciona una via eficient per implementar decisions de ramificació en diversos protocols digitals, reforçant el rendiment del sistema en activitats.
Full de dades 74HC00:
74HC00 Detalls PDF74HC00 Detalls PDF per a FR.PDF74HC00 Detalls PDF per a KR.PDF74HC00 Detalls PDF per a it.pdf74HC00 Detalls PDF per a ES.PDF
1. Quina és la funcionalitat del 74HC00?
El 74HC00 incorpora quatre portes NAND de 2 entrades independents, que funcionen dins d’un rang de potència de 2,0V a 6.0V.Servint sistemes de lògica digital, permet la formació d’operacions lògiques, que formen la columna vertebral d’arquitectures digitals complexes.
2. Quantes portes NAND conté el 74LS00?
El 74LS00 inclou un conjunt de quatre portes NAND, cadascuna dissenyada amb dues entrades i una sortida singular.Aquesta configuració és una elecció habitual a l’hora de desenvolupar unitats en electrònica digital.
3. Què diferencia el 74HC00 del 74LS00?
Una diferència principal és la seva adaptabilitat de tensió.El 74HC00 funciona dins d’un rang de 2V a 6V, mentre que el 74LS00 està restringit a una font d’alimentació de 5V.La selecció depèn sovint de les variacions de les necessitats d’aplicació i dels factors ambientals.
4. Podeu descriure la sèrie de 74HC?
La sèrie 74HC compta amb circuits integrats CMOS d'alta velocitat, que ofereixen velocitats compatibles amb TTL amb un consum d'energia reduït.La seva compatibilitat amb els dissenys de pins de la sèrie 74LS permet una integració i reemplaçament fàcils en els circuits existents.
5. Quines són les aplicacions del 74HC00?
En els circuits digitals, el 74HC00 és instrumental on es requereixen portes lògiques NAND per a la inversió del senyal i executar accions lògiques complexes.La seva adaptabilitat la converteix en un actiu valuós en contextos educatius i empreses electròniques professionals.
Comparteix aquesta publicació